欧美精品在线观看_欧美激情一区二区

email info@tarah.cn
Shenzhen Yujiaxin Tech Co., Ltd. SHENZHEN YUJIAXIN TECH CO.,LTD.
Technik
Produktanzeige
Kontaktieren Sie uns
  • Email: info@tarah.cn
  • Skype: +8615986816992
  • Whatsapp: +8615986816992
  • Wechat: yujiaxin-666
  • QQ: 2269845694

Eigenschaften der Legierung F75 CoCrMo



Datum:[2023/12/21]
1.1 Allgemeine Merkmale
Kobaltbasierte Legierungen werden in anspruchsvollen Anwendungen eingesetzt, solange Feinguss als industrielles Verfahren verfügbar ist. Arcams Elektronenstrahlschmelztechnologie konkurriert direkt mit dem Feinguss und ist eine praktikable Wahl für die Herstellung komplexer Teile aus Kobaltlegierungen. Der Großteil der Feingussteile aus den Kobalt-Superlegierungen wird in offener Atmosphäre gegossen. Mit dem Elektronenstrahlschmelzverfahren von Arcam sorgt die Vakuumatmosphäre für eine kontrollierte Umgebung und ermöglicht hervorragende Materialeigenschaften in den gefertigten Teilen. CoCrMo-Legierungen werden häufig für medizinische prothetische Implantate verwendet. Die Legierungen werden insbesondere dort eingesetzt, wo hohe Steifigkeit oder ein hochpoliertes und extrem verschleißfestes Material gefordert wird. CoCrMo-Legierungen sind die Materialien der Wahl für Anwendungen wie Knieimplantate, Metall-Metall-Hüftgelenke und Zahnprothesen.
Kobaltlegierungen spielen auch eine wichtige Rolle für die Leistung von Luft- und Landgasturbinen. Während Vakuumguss-Nickellegierungen in den heißen Bereichen moderner Turbinenmotoren vorherrschen, werden Kobaltlegierungen routinemäßig für besonders anspruchsvolle Anwendungen wie Kraftstoffdüsen und Schaufeln für industrielle Gasturbinen spezifiziert. Arcam ASTM F75 ist eine nichtmagnetische CoCrMo-Legierung mit hoher Festigkeit, Korrosionsbeständigkeit und ausgezeichneter Verschleißfestigkeit. Es wird häufig für orthopädische und zahnmedizinische Implantate verwendet. Hochglanzpolierte Komponenten umfassen Oberschenkelstiele für Ersatz von Hüften und Kniekondylen. Andere kobaltmedizinische Implantate sind Acetabularschalen und Schienbeinschale. In allen Fällen, insbesondere aber bei Hüftbauteilen, ist die Materialqualität unerlässlich, da Teile stark belastet und ermüdungsfrei sind.
1.2 Besondere Merkmale
Die Arcam ASTM F75 CoCr Legierung eignet sich auch für die Rapid Manufacturing von Produktionswerkzeugen zum Spritzgießen von Kunststoffteilen. Die hohe Härte des Materials und die hervorragenden Materialqualitäten ermöglichen das Polieren von Bauteilen auf optische oder spiegelähnliche Oberflächen und sorgen für eine lange Standzeit. Werkzeuge können mit komplexen Geometrien gebaut werden, und die konformen Kühlkanäle erhöhen die Lebensdauer des Werkzeugs und erhöhen die Produktivität sowie die Bauteil- und Oberflächenqualität.
1.3 Anträge
CoCrMo wird typischerweise verwendet für:
欧美精品在线观看_欧美激情一区二区:Gasturbinen
欧美精品在线观看_欧美激情一区二区:Orthopädische Implantate
欧美精品在线观看_欧美激情一区二区:Zahnimplantate
1.4 Pulverspezifikation
Das 欧美精品在线观看_欧美激情一区二区:Arcam ASTM F75 CoCr Legierungspulver für EBM wird durch Gaszerstäubung hergestellt und die chemische Zusammensetzung entspricht der Spezifikation des ASTM F75 Standards. Die Partikelgröße beträgt 45–100 Mikron. Diese Begrenzung der minimalen Partikelgröße gewährleistet eine sichere Handhabung des Pulvers. Weitere Informationen zur Handhabung und Sicherheit der Arcam ASTM F75 CoCr Legierung finden Sie im Arcam MSDS (Material Safety Data Sheet).
1.5 Chemische Zusammensetzung

1.6 Mechanische Eigenschaften

Abschnitt 2. Nachbearbeitung 2.1 Sintern durch MIM
2.2 Wärmebehandlung
Das folgende Wärmebehandlungsprogramm wird empfohlen.
1. Gegebenenfalls das heiß isostatische Pressen (HIP) in einem gemeinsamen Zyklus mit den folgenden Parametern: – 1200 °C – 1000 bar Argon – 240 Minuten.
2. Homogenisierung (HOM) Wärmebehandlung mit folgenden Parametern: – 1220 °C – 0,7–0,9 mbar Argon – 240 Minuten. So schnelle Abschreckrate wie möglich, von 1220°C bis 760°C in maximal 8 Minuten. Ziel ist es, Karbide aufzulösen und die Isotropie der Mikrostruktur zu verbessern, wodurch die Sprödigkeit des EBM-Materials reduziert wird. (MIM, Metall-Pulver-Spritzguss folgen auch der HOM-Behandlung nach dem Sintern)
2.3 Bearbeitung
Im EBM-Verfahren gefertigte Teile zeichnen sich durch eine gute Zerspanbarkeit aus. Mit dem Arcam EBM-Verfahren hergestellte Teile weisen hervorragende Ergebnisse bei jedem herkömmlichen Bearbeitungsverfahren auf. Die hervorragenden Eigenschaften der mit EBM gefertigten Teile ermöglichen eine spiegelnde oder optische Politur der Teile für den Einsatz in Matrizen und anderen Anwendungen, die eine überlegene Oberflächengüte erfordern.
2.4 Herstellung von Mikrostrukturen
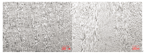
CoCrMo Teile mit EBM ergeben volldichte Teile ohne Schweißlinien im Material vor oder nach der Wärmebehandlung (HIP+HOM). Das As-built-Material besteht aus langgestreckten Körnern, die Karbidausfälle enthalten. Die Wärmebehandlung verwandelt die Mikrostruktur in eine isotrope Struktur mit einer erheblichen Reduktion der sichtbaren Karbide.
Die folgenden Bilder zeigen die typische Mikrostruktur vor und nach der Wärmebehandlung (HIP+HOM). Das As-built Material hat längliche Körnungen in Baurichtung (Z). Es enthält eine hohe Dichte an Karbiden, die die hohe Härte des As-built Materials ergeben.
图 3. As-built Mikrostruktur, geätzter Querschnitt entlang der Z-Richtung

HIP+HOM transformiert die Mikrostruktur vollständig in einen isotropen Zustand. Die Karbide werden gelöst, was zu einer erhöhten Duktilität und reduzierten Härte führt, die in den Spezifikationen nach der Wärmebehandlung nachgewiesen wird. Es gibt keine Porosität im eingebauten oder im HIP+HOM Material.

图 4. Mikrostruktur nach HIP+HOM, geätzter Querschnitt entlang der Z-Richtung